Hello, welcome to Kangpani Motor

DC Brushless High-Speed Motor

Kangpani Electric Motor, since its establishment in 2008, has been focusing on the research and development of special miniature motors, providing high-quality DC brushless high-speed motors, brushless permanent magnet motors, etc. As a professional brushless motor manufacturer, we offer solutions for your needs in Chinese brushless motors, DC servo motors, and permanent magnet motors.

Kangpani Motor

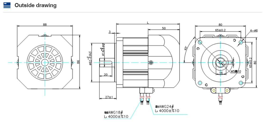
80BF DC Brushless High-Speed Motor

Time:2025-09-24Views:6


+8618112331965