Hello, welcome to Kangpani Motor

Stepping brake motor

Kangpani Electric Motor has been focusing on the research and development and production of special miniature motors since its establishment in 2008. We offer a variety of brushless motor solutions, including stepper brake motors, brushless permanent magnet motors, and DC brushless gear motors. As a professional brushless motor manufacturer, we are committed to providing customers with high-quality and high-performance Chinese brushless motor products.

Kangpani Motor
Your Location:Home > Products > Stepping brake motor

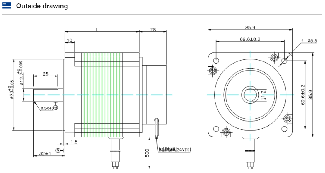
86H Stepping brake motor

Time:2025-09-24Views:18


+8618112331965