Hallo, willkommen auf Kangpani Motor

Servomotor

Kangpani Motor, gegründet 2008, konzentriert sich auf Forschung und Produktion von Spezial-Mikromotoren. Wir bieten hochwertige Lösungen wie bürstenlose Motoren und bürstenlose Gleichstrom-Servomotoren, um Ihren Anforderungen an Hochleistungsmotoren gerecht zu werden.

Kangpani Motor

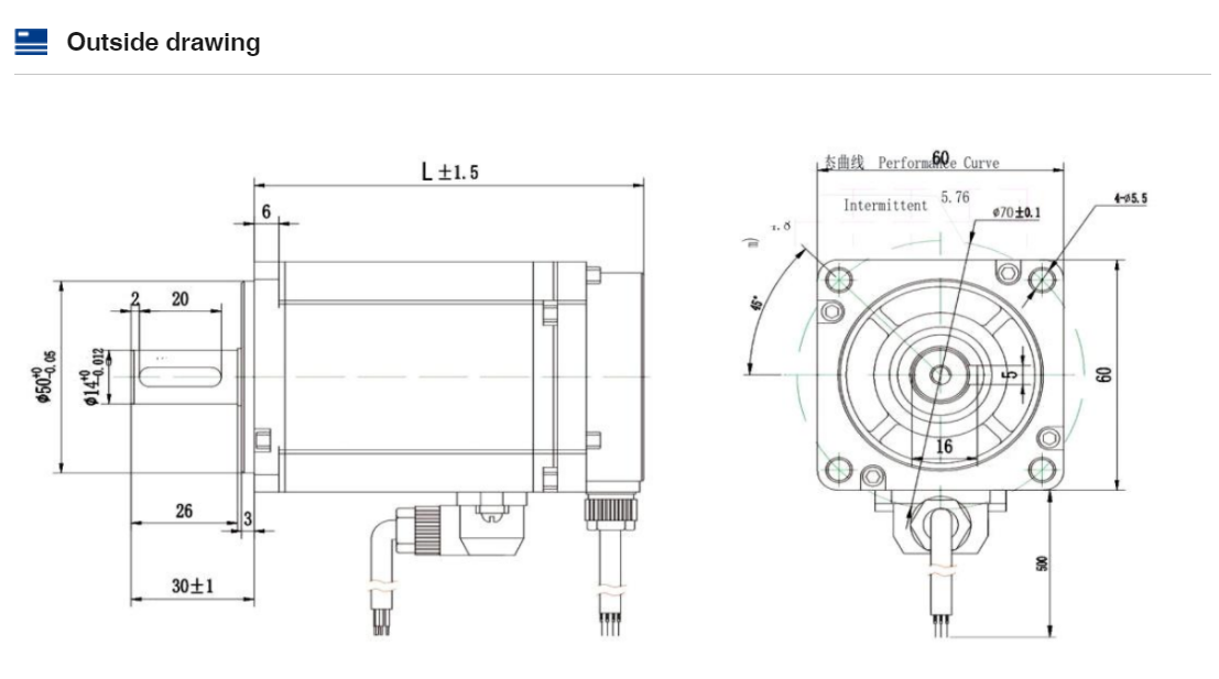
060DC Servomotor

Zeit:2025-09-24Seitenaufrufe:12

 Performance Curve)

060-001.png

+8618112331965